Skip to product information
1 of 12
ExtrudaSeal AluK Bifold Door Gasket

ExtrudaSeal AluK Bifold Door Gasket

SKU: EXT-2310-1011
MPN: RX609_5M

Regular price £9.23
Regular price Sale price £9.23
Sale
Tax included. Shipping calculated at checkout.

In stock

Click & Collect: Available same day

Delivery: Estimated arrival in 1 day

Order within 5h 25m

View full details
Description

ExtrudaSeal AluK Bifold Door Gasket

(Choice of type and length)

Solves leaks, draught and heat-loss!

Durable, high-quality replacement gasket seal for AluK aluminium bifold doors. Made from a blend of PVC and Nitrile rubber for excellent strength, weather resistance, and thermal insulation, these replacement door gaskets offer stretch and shrink resistance with long life performance.

Choice of gaskets include vertical seals up the interlock, where the door sash folds, the top and bottom of the door sash, and the head and threshold of the sash.

Features & Benefits

  • UV-stable material - long life product
  • Comfortable home - stop draught, noise and leaks
  • Reduces heat loss - helps lower energy bills
  • New and improved - refined design and material
  • Low-cost solution - sold in various lengths
  • Quality assurance - conforms to BS7412

Door gasket can flatten over time, and the rubber can become brittle and shrink. These things affect the seal around the door, and lead to draughts, heat loss, water ingress and noise. Fitting new gaskets can rid you of those problems, and can seal your door like new.

In this listing, you can buy...

ExtrudaSeal PAB6161 (RX609) for AluK Ali Bifold Doors

PAB6161 (RX609)

Sash gasket made from PVC Nitrile with string cord. Fits vertically on inner and outer edges of interlock door fold.

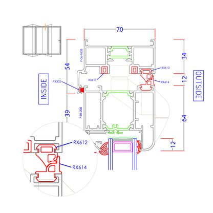
ExtrudaSeal AF613 (RX612) for AluK Ali Bifold Doors

AF613 (RX612)

Large flipper lip-shaped outerframe gasket of PVC Nitrile with a semi-rigid core. Fits horizontally along outer edge of outerframe head and threshold, and is often paired with the AF614 (RX614), and AF615 (RX615) sash gasket.

ExtrudaSeal AF614 (RX614) for AluK Ali Bifold Doors

AF614 (RX614)

Bubble with flipper sash gasket, made wholly from PVC Nitrile. Fits to the top of the door, along the outside edge, and typically closes onto the AF613 (RX612) outerframe gasket.

ExtrudaSeal AF615 (RX615) for AluK Ali Bifold Doors

AF615 (RX615)

Bubble with flipper sash gasket of PVC Nitrile with a rigid PVC core. Fits horizontally along the outer edge on underside of the door, and paired with the AF613 (RX612) threshold gasket.


Technical Information

PAB6161

Specification Detail
AluK Code RX609
Material PVC Nitrile
Core String cord
Compatibility AluK Bifold Door Gasket
Gasket Location Sash
Application Fits vertically on inner and outer edge of interlock fold on bifold door sash.
Length 5m, 10m, 15m, 25m, 50m, 100m

RX612

Specification Detail
AluK Code AF613
Material PVC Nitrile
Core Semi-rigid
Compatibility AluK Bifold Doors
Gasket Location Outerframe
Application Fits horizontally along outer edge of head and threshold.
Length 5m, 10m, 15m, 25m, 50m, 100m

RX614

Specification Detail
AluK Code AF614
Material PVC Nitile
Compatibility AluK Bifold Doors
Gasket Location Sash
Application Fits along outer edge on top of sash.
Length 5m, 10m, 15m, 25m, 50m, 100m

RX615

Specification Detail
AluK Code AF615
Material PVC Nitrile
Core Rigid PVC
Compatibility AluK Bifold Doors
Gasket Location Sash
Application Fits along outer edge on underside of sash.
Length 5m, 10m, 15m, 25m, 50m, 125m

Do you have a question about this product?

Contact us

Collapsible content